BG视讯|官方网站
BG视讯
首页
关于露露
企业介绍
核心价值
品牌故事
企业荣誉
企业责任
产品介绍
露系列
奶系列
其他系列
投资者专区
露露公告
投资者教育基地
防非投保宣传专栏
新闻中心
企业公示
企业新闻
媒体报道
市场活动
视频中心
商务公告
招标公告
招商信息
招聘信息
BG视讯
官方商城
公司总机
售后服务
商务合作
Search
内网入口
首页
关于露露
企业介绍
核心价值
品牌故事
企业荣誉
企业责任
产品介绍
露系列
奶系列
其他系列
投资者专区
露露公告
财务信息
防非投保宣传专栏
新闻中心
企业公示
企业新闻
媒体报道
市场活动
视频中心
商务公告
招标公告
招商信息
招聘信息
BG视讯
官方商城
公司总机
售后服务
商务合作
lolo 2023-10-26
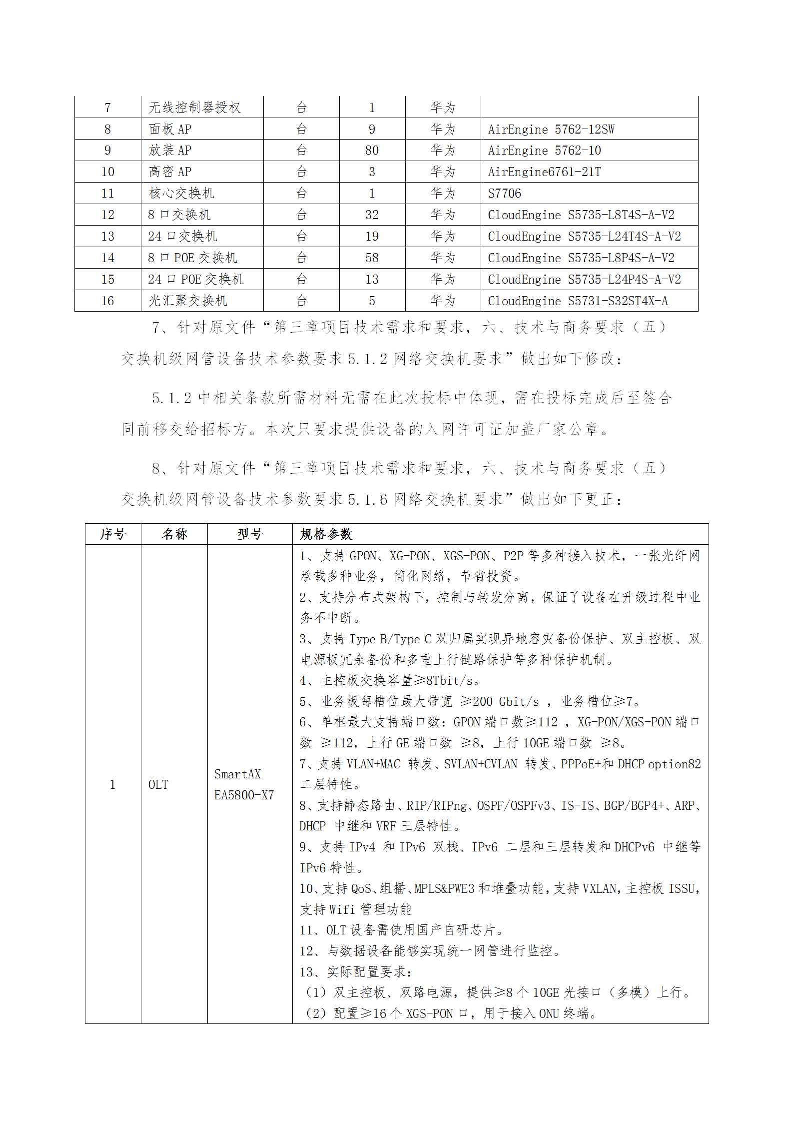
BG视讯5G专网覆盖服务及硬件设备采购实施项目补充说明(一)
本文件作为“年产50万吨露露系列饮料项目(一期)5G专网覆盖服务及硬件设备采购实施项目招标”(以下简称“原文件”)文件的补充说明文件。
本文件作为“年产50万吨露露系列饮料项目(一期)5G专网覆盖服务及硬件设备采购实施项目招标”(以下简称“原文件”)文件的补充说明文件。
上一篇:
BG视讯股份公司 年产 50 万吨露露系列饮料项目(一期) 动力设备
下一篇:
BG视讯5G专网覆盖服务及硬件设备采购实施项目
返回列表